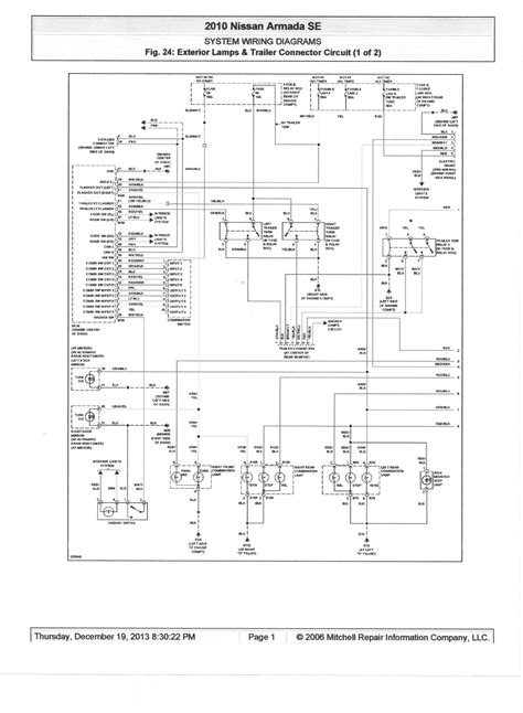
2013 nissan armada fuse diagram - TradeSphere
autoevolution: 2026 Nissan Armada Costs More Than Before, Nismo Version Isn't the Most Expensive of All! The Nissan Group is almost ready to bring the 2026 Nissan Armada to market in North America, and they recently announced the pricing details for Canada and the US. Of course, the 2026MY is more ...
Understanding the Context
2026 Nissan Armada Costs More Than Before, Nismo Version Isn't the Most Expensive of All! Carscoops: We Put The Nissan Armada Pro-4X To The Ultimate Off-Road Test The 2025 Armada is an SUV we’ve already tested in the snowy north. Our conclusion was crystal clear: this is a luxurious body-on-frame battleship that demonstrates a leap forward for Nissan. Carscoops: The 2026 Nissan Armada NISMO Is Exactly What It Looks Like | Review The 2026 Nissan Armada NISMO Is Exactly What It Looks Like | Review MSN: 2025 Nissan Armada Review: More Luxury, More Power, More Thirst, And More Competitive 2025 Nissan Armada Review: More Luxury, More Power, More Thirst, And More Competitive Nissan Forums is the go to place to talk about your favorite Nissan model, including the Rogue, Maxima, Altima and even sports cars like the 370Z and 200SX.
Image Gallery
Key Insights
Hello all! While searching for cars we recently fell in love with Nissans. Have been looking at used Sentra's, Altima's, Maxima's and Rogue's for the last few weeks. Finding out more and more information we have come across a lot of reviews with transmission problems for all of these vehicles... Drop the pan yourself and get the calibration file number from the valve body; also get a calibration file number from the CVT case itself; along with the VIN for your vehicle.
Related Articles You Might Like:
2008 pontiac g6 fuse box diagram 2019 chevy 3500 fuse box diagram 2007 bmw 530i fuse box diagramFinal Thoughts
If you get no satisfaction with a service advisor, go up the pecking order of management or go to another Nissan dealer or call Nissan Customer relations 1 (800) 647-7261.