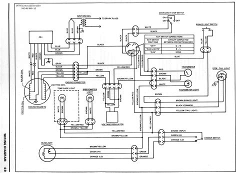
kawasaki mule carburetor diagram - TradeSphere
Kawasaki sent photos of the plain jane Versys 1100, odd when it's the S they sell in Oz and the SE LT available in the US. Nice clear shot, though. Beautiful plumage.
Understanding the Context
The Bear 3/24/2025 Featured, Kawasaki Versys 1100 S, Sports Tourer Kawasaki says that the engine delivers usable power across the rev range and that riders will appreciate its low end torque. Unfortunately, Kawi has yet to publish certain technical specs, including the numbers associated with horsepower and torque. Kawasaki Motors Corp., USA, is recalling certain 2024 Z e-1 and Ninja e-1 ABS motorcycles because there could be a failed connection between the bike’s batteries. Kawasaki has been super-quiet this show season, with a new Z900, Versys 1100, Ninja 1100 and… that’s about it.
Image Gallery
Key Insights
But get this: They showed a new machine at EICMA that sure looks like a new adventure bike is coming. Kawasaki Motors Corp., USA, is recalling certain 2024 Z500 and Ninja 500 motorcycles due to a potentially faulty welded clutch release shaft. Kawasaki has also issued a stop sale and delivery notice to its dealers. Kawasaki KLE 500 - 2026 Discussion in ' Japanese polycylindered adventure bikes ' started by eakins, . 4 Sale 1976 Kawasaki KM100: A short-lived model for short-legged riders "I can't drive 55" could have been written about this machine Kawasaki Z900RS Official Thread Discussion in ' Road Warriors ' started by quint7, .
Related Articles You Might Like:
2017 ford f250 tailgate parts diagram 2000 peterbilt 379 fuse panel diagram 2011 jetta se fuse and relay diagramFinal Thoughts
A money mule account is not a strange or exceptional artifact. It is a functional component of criminal infrastructure—predictable in its role, reproducible in its design, and detectable in its shape. A money mule scam involves exploiting an individual to unknowingly transfer illegally obtained funds Recognize red flags: Understand signs of potential money mule requests Stay safe: Protect yourself ...