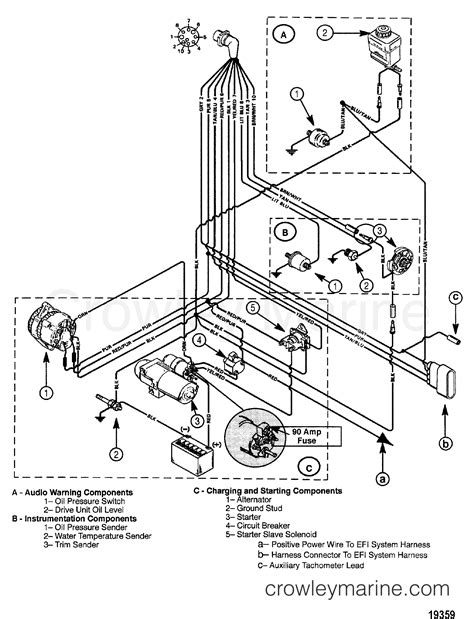
schematic mercruiser 3 0 wiring diagram - TradeSphere
Geeky Gadgets: How to use Circuit Canvas to draw and illustrate wiring diagrams Ever found yourself tangled in a mess of wires and components, struggling to create a clear and intuitive wiring diagram? If so, you’re not alone. Many electronics enthusiasts face this challenge, ...
Understanding the Context
1 - Load the Schematic: In-game, execute the command //schem load "filename" to load your schematic. 2 - Paste the Schematic: Stand at the location where you want the schematic to appear and type //paste to place it in the world. It was a schematic of 50 items all on a flat terrain. The area was a lot bigger than I thought and it went into my ...
Image Gallery
Key Insights
Have you ever found a schematic but couldn't use it because it was in the wrong format? Maybe you found a litematic online and wanted to use it in WorldEdit. Today, I'm introducing SchemConvert, a tool that allows you to do just that. New variation of a half-timbered house. Fully furnished and detailed.
Related Articles You Might Like:
generac 2800 psi pressure washer parts diagram abu garcia ambassadeur 5500 parts diagram craftsman 42 riding mower parts diagramFinal Thoughts
For Java 1.21.1 and higher For Bedrock 1.21.30 or higher (Bedrock Edition map was converted with Chunker.) Also comes with schematic file Paste it with "//paste -e" command so you get all the entities that comes with the build. Shaders used are BSL with custom settings. Java Search all Forums Search this Forum Search this Thread Tools Jump to Forum Game crashes when I load a litematica Schematic into the world they can import any .schematic file and it will convert to java code used for structure generation. Modders no longer need to work endless hours to code a simple little house.