1990 chevy s10 4 3 v6 fuse diagram - TradeSphere
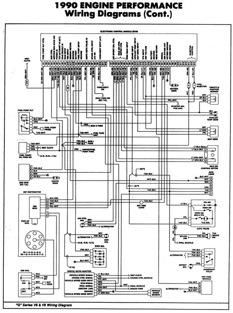
If I could get an engine and gauge cluster diagram for my truck 2000 Sonoma 4.3 auto and my cousins (Lifted97s-10) 97 S10 4.3 auto it would be much appreciated. Trying to swap a newer ecm like mine into his truck so I can tune it and we keep running into wiring issues like fuel pump and fuel gauge that I cant track the wires down to. Thanks!
Understanding the Context
V6zq8@sbcglobal.net Official Chevrolet site: see Chevy cars, trucks, crossovers & SUVs - see photos/videos, find vehicles, compare competitors, build your own Chevy & more. Locate Chevy Car Dealerships Near Me - Shop Cars, Trucks, SUVs - Chevrolet Experience the 2026 Chevy Silverado 1500 pickup truck available in 9 unique models and equipped with 13,300 lbs. max towing and advanced technology features. Discover the 2026 Chevy Silverado EV electric truck - up to 492 miles of range, powerful towing capabilities, advanced technology, and generous cargo space.
Image Gallery
Key Insights
The 2026 Chevy Traverse Mid-Size SUV is equipped with seating for up to 8 passengers, 98 cu. ft of available cargo space, and a 17.7 inch touchscreen display. With the calendar about to flip over to 2026, several major developments are lining up at General Motors, including a number of big changes for the Chevy brand. Among the highlights will be ... Chevrolet is highlighting some of the features of the brandβs trailer app in a brief new video.
Related Articles You Might Like:
2018 ford explorer fuse box diagram ford fiesta fuse box diagram 2012 ford fiesta 2012 fuse box diagramFinal Thoughts
Clocking in at less than a minute, the video is hosted by Chevy Silverado product Manager Kristin ... Carscoops: Chevy Revives A Dead Name, But Itβs Nothing Like You Remember Electrek: The Chevy Equinox EV is 20% off right now with a $10,000 discount